|
|
 |
产品中心 | 当前位置:首页> 产品中心 |
 |
|
|
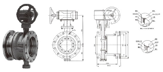
伸缩型蝶阀
|
SD343H 伸缩型蝶阀

主要外形及尺寸(PN=1.6Mpa)
|
公称通径 DN(mm)
|
D1
|
D2
|
D
|
DO
|
Lmax
|
Lmin
|
b
|
H1
|
H2
|
Z-φd
|
|
100
|
180
|
155
|
215
|
180
|
216
|
174
|
22
|
110
|
170
|
8-φ18
|
|
125
|
210
|
185
|
245
|
180
|
232
|
186
|
22
|
123
|
185
|
8-φ18
|
|
150
|
240
|
210
|
280
|
230
|
239
|
194
|
24
|
140
|
210
|
8-φ23
|
|
200
|
295
|
265
|
335
|
230
|
264
|
214
|
24
|
170
|
238
|
8-φ23
|
|
250
|
350
|
320
|
390
|
280
|
296
|
235
|
26
|
195
|
270
|
12-φ23
|
|
300
|
400
|
368
|
440
|
310
|
300
|
250
|
28
|
222
|
300
|
12-φ23
|
|
350
|
460
|
428
|
500
|
310
|
320
|
270
|
28
|
252
|
330
|
16-φ23
|
|
400
|
515
|
482
|
565
|
310
|
332
|
282
|
30
|
285
|
368
|
16-φ25
|
|
450
|
565
|
532
|
615
|
380
|
355
|
305
|
30
|
310
|
402
|
20-φ25
|
|
500
|
620
|
585
|
670
|
380
|
365
|
315
|
32
|
337
|
438
|
20-φ25
|
|
600
|
725
|
685
|
780
|
450
|
420
|
370
|
36
|
393
|
490
|
20-φ30
|
|
700
|
840
|
800
|
895
|
450
|
446
|
396
|
36
|
450
|
558
|
24-φ30
|
|
800
|
950
|
905
|
1010
|
450
|
476
|
426
|
38
|
515
|
625
|
24-φ34
|
|
900
|
1050
|
1005
|
1110
|
560
|
506
|
456
|
38
|
560
|
685
|
28-φ34
|
|
100
|
1160
|
1115
|
1220
|
560
|
516
|
466
|
38
|
610
|
750
|
28-φ34
|
|
1200
|
1380
|
1325
|
1450
|
560
|
560
|
510
|
40
|
725
|
880
|
32-φ41
|
|
1400
|
1590
|
1525
|
1675
|
600
|
590
|
540
|
44
|
840
|
987
|
36-φ48
|
|
1600
|
1820
|
1750
|
1915
|
600
|
630
|
585
|
48
|
960
|
1158
|
40-φ54
|
|
1800
|
2020
|
1950
|
2115
|
640
|
680
|
630
|
50
|
1060
|
1258
|
44-φ54
|
|
2000
|
2230
|
2160
|
2325
|
640
|
730
|
680
|
54
|
1165
|
1365
|
48-φ54
|
|
|
|
|